255X4-1/4-3/8
Redukcia - vnútorný závit - INOX
Špeciálne požiadavky máte možnosť pridať v Zhrnutí objednávky pri Dodatočných informáciách
255X4-1/4-3/8
Redukcia - vnútorný závit - INOX
Produktové údaje PDF
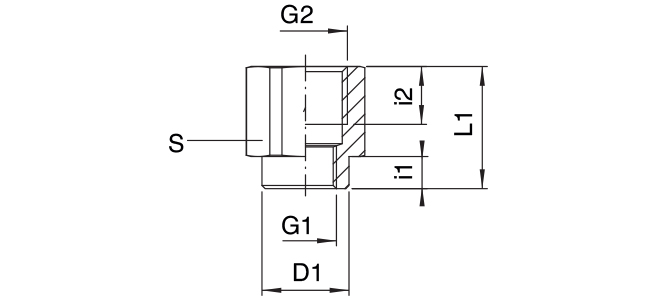
Stiahnuť| Číslo produktu | Prípoj | A | Prípoj | B |
|---|
| Typ | G1 | G2 | i1 | i2 | L1 | D1 | S | g |
|---|---|---|---|---|---|---|---|---|
| 255X4-1/8-1/4 | G 1/8" | G 1/4" | 5 | 9 | 19 | 13,5 | 17 | 17,9 |
| 255X4-1/4-3/8 | G 1/4" | G 3/8" | 7,5 | 9,5 | 22 | 17 | 19 | 19,7 |
| 255X4-3/8-1/2 | G 3/8" | G 1/2" | 7 | 12,5 | 27 | 21 | 24 | 38,9 |
| Teplotný rozsah: | -40°C…+140°C |
|---|---|
| Prípoj | A: | G 1/4" |
| Prípoj | B: | G 3/8" |
| Materiál: | Nehrdzavejúca oceľ |
| Materiál tesnenia: | Bez tesnenia |
| Pracovné médium: | Stlačený vzduch |
| Pracovný tlak: | 0…50 bar |








