257M-1/2K
Závitová záslepka - kužeľový závit
Špeciálne požiadavky máte možnosť pridať v Zhrnutí objednávky pri Dodatočných informáciách
257M-1/2K
Závitová záslepka - kužeľový závit
| Číslo produktu | Prípoj |
|---|
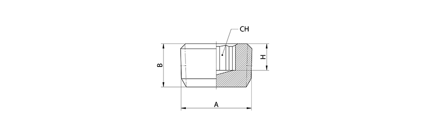
| Typ | Prípoj | B | H | CH |
|---|---|---|---|---|
| 257M-1/8K | R 1/8" | 7,5 | 5 | 5 |
| 257M-1/4K | R 1/4" | 10 | 7 | 6 |
| 257M-3/8K | R 3/8" | 11 | 7 | 8 |
| 257M-1/2K | R 1/2" | 13 | 8 | 10 |
| Prípoj: | R 1/2" |
|---|---|
| Teplotný rozsah: | -40°C…+120°C |
| Materiál: | Poniklovaná mosadz |
| Materiál tesnenia: | Bez tesnenia |
| Menovitý tlak: | 0…50 bar |
| Pracovné médium: | Stlačený vzduch |
| Pracovný tlak: | 0…50 bar |
| Prevedenie: | Záslepka |









