290U-1/4
Filtračná zátka - drôtené tkanivo
Špeciálne požiadavky máte možnosť pridať v Zhrnutí objednávky pri Dodatočných informáciách
290U-1/4
Filtračná zátka - drôtené tkanivo
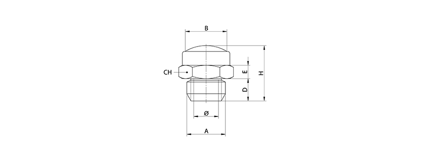
| Číslo produktu | Prípoj |
|---|
| Typ | Prípoj A | Ø | B | D | E | H | CH |
|---|---|---|---|---|---|---|---|
| 290U-M5 | M 5 | 2,5 | 5,5 | 4 | 3 | 8 | 8 |
| 290U-1/8 | G 1/8" | 6 | 9,5 | 6 | 4 | 15 | 13 |
| 290U-1/4 | G 1/4" | 8,5 | 11 | 8 | 5 | 18 | 16 |
| 290U-3/8 | G 3/8" | 11,5 | 14,5 | 8 | 5 | 20 | 19 |
| 290U-1/2 | G 1/2" | 15 | 19 | 10 | 6 | 22 | 24 |
| 290U-3/4 | G 3/4" | 20 | 24 | 10 | 6 | 26 | 30 |
| 290U-1 | G 1" | 26 | 31 | 10 | 6 | 28 | 36 |
| Prípoj: | G 1/4" |
|---|---|
| Teplotný rozsah: | -40°C…+130°C |
| Materiál: | Poniklovaná mosadz |
| Menovitý tlak: | 0…10 bar |
| Pracovný tlak: | 0…10 bar |









