BA 22

Upevnenie ovládacích prvkov k BA ventilom

Špeciálne požiadavky máte možnosť pridať v Zhrnutí objednávky pri Dodatočných informáciách

BA 22
Upevnenie ovládacích prvkov k BA ventilom

Produktové údaje PDF

Stiahnuť

3D model

Stiahnuť
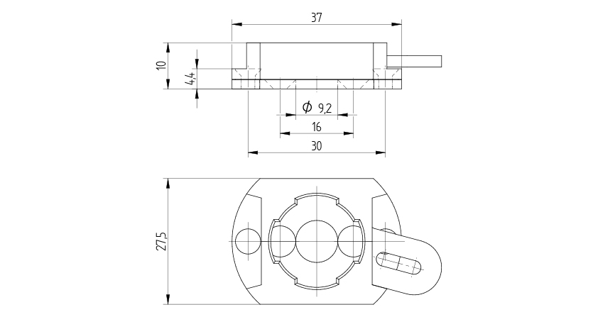
Prípoj: Pre BA ventil
Teplotný rozsah: -10°C…+50°C
Materiál: Plast