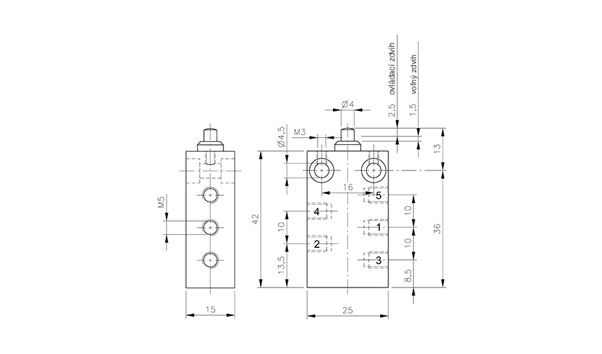
BV 511 201
5/2-cestný plunžrový ventil ovládaný stlačením - M5
Špeciálne požiadavky máte možnosť pridať v Zhrnutí objednávky pri Dodatočných informáciách
BV 511 201
5/2-cestný plunžrový ventil ovládaný stlačením - M5
| Číslo produktu | Prípoj | Polohová stabilita | Prietok (P1=6 bar, ΔP=1 bar) | Ovládacia sila | Pracovný tlak | Umiestnenie prípojov |
|---|
| Riadenie/ovládanie: | Mechanicky ovládané |
|---|---|
| Funkcia: | 5/2-cestný |
| Prípoj: | M5 |
| Teplotný rozsah: | -10°C…+50°C |
| Polohová stabilita: | Monostabilný |
| Prietok (P1=6 bar, ΔP=1 bar): | 125 l/min |
| Materiál tela ventilu: | Hliník |
| Ovládacia sila: | 14 N |
| Pracovné médium: | Stlačený vzduch |
| Pracovný tlak: | -0,9...10 bar |
| Spôsob montáže ventilu: | Samostatný ventil |
| Umiestnenie prípojov: | Na oboch stranách ventilu/oproti sebe |









