DIMX 40/125
Svorníkový valec - ISO 15552 - INOX
Špeciálne požiadavky máte možnosť pridať v Zhrnutí objednávky pri Dodatočných informáciách
DIMX 40/125
Svorníkový valec - ISO 15552 - INOX
Produktové údaje PDF
Stiahnuť| Číslo produktu | Priemer | Zdvih | Prípoj | Materiál tesnenia | Priemer piestnice | Závit piestnice |
|---|
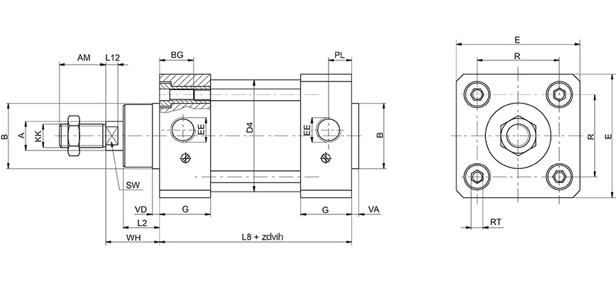
| Typ | Ø [mm] | A | AM | B | BG | E | EE | G | KK | L2 | L8 | L12 | PL | R | RT | SW | VA | VD | WH |
|---|---|---|---|---|---|---|---|---|---|---|---|---|---|---|---|---|---|---|---|
| DIMX 32/... | Ø 32 | 12 | 22 | 30 | 16 | 47 | G 1/8" | 31 | M 10 x 1,25 | 16 | 94 | 6 | 11 | 32,5 | M 6 | 10 | 4 | 5 | 26 |
| DIMX 40/... | Ø 40 | 16 | 24 | 35 | 16 | 55 | G 1/4" | 34 | M 12 x 1,25 | 20 | 105 | 6,5 | 13 | 38 | M 6 | 13 | 4 | 5 | 30 |
| DIMX 50/... | Ø 50 | 20 | 32 | 40 | 16 | 64 | G 1/4" | 36 | M 16 x 1,5 | 25 | 106 | 8 | 14 | 46,5 | M 8 | 16 | 4 | 5 | 37 |
| DIMX 63/... | Ø 63 | 20 | 32 | 45 | 16 | 78 | G 3/8" | 40 | M 16 x 1,5 | 25 | 121 | 8 | 16 | 56,5 | M 8 | 16 | 4 | 5 | 37 |
| DIMX 80/... | Ø 80 | 25 | 40 | 45 | 16 | 95 | G 3/8" | 42 | M 20 x 1,5 | 32 | 128 | 10 | 16 | 72 | M 10 | 21 | 4 | 5 | 46 |
| DIMX 100/... | Ø 100 | 25 | 40 | 55 | 16 | 115 | G 1/2" | 45 | M 20 x 1,5 | 35 | 138 | 10 | 18 | 89 | M 10 | 21 | 4 | 5 | 51 |
| DIMX 125/... | Ø 125 | 30 | 54 | 60 | 20 | 142 | G 1/2" | 53 | M 27 x 2 | 40 | 160 | 10 | 20 | 110 | M 12 | 27 | 6 | 6 | 65 |
| DIMX 160/... | Ø 160 | 40 | 72 | 65 | 24 | 182 | G 3/4" | 59 | M 36 x 2 | 38 | 180 | 12 | 27 | 140 | M 16 | 38 | 6 | 6 | 80 |
| DIMX 200/... | Ø 200 | 40 | 72 | 75 | 24 | 222 | G 3/4" | 61 | M 36 x 2 | 55 | 180 | 12 | 35 | 175 | M 16 | 38 | 6 | 6 | 95 |
| Funkcia: | Dvojčinný |
|---|---|
| Priemer: | Ø40 |
| Zdvih: | 125 mm |
| Prípoj: | G 1/4" |
| Teplotný rozsah: | -20°C…+80°C |
| Materiál piestnice: | Nehrdzavejúca oceľ (AISI 304) |
| ISO norma: | ISO 15552 (v minulosti ISO 6431) |
| Materiál krytu: | Nehrdzavejúca oceľ |
| Materiál piestu: | Hliník |
| Materiál telesa valca: | Nehrdzavejúca oceľ |
| Materiál tesnenia: | NBR, PU (max. 80°C) |
| Materiál vodiaceho puzdra: | Sintrovaný bronz |
| Piest: | Magnetický |
| Pracovné médium: | Stlačený vzduch |
| Pracovný tlak: | 1…10 bar |
| Priemer piestnice: | Ø16 mm |
| Prítlačná sila (6 bar): | 716 N |
| Tlmenie: | Nastaviteľné |
| Závit piestnice: | M12 x 1,25 - vonkajší závit |
| Ťažná sila (6 bar): | 601 N |









