HIFRV 40/160
Normalizovaný valec - ISO 15552 - piestnica z nehrdzavejúcej ocele - odolný voči vysokým teplotám +150°C
Špeciálne požiadavky máte možnosť pridať v Zhrnutí objednávky pri Dodatočných informáciách
HIFRV 40/160
Normalizovaný valec - ISO 15552 - piestnica z nehrdzavejúcej ocele - odolný voči vysokým teplotám +150°C
| Číslo produktu | Priemer | Zdvih | Prípoj | Materiál tesnenia | Priemer piestnice | Závit piestnice |
|---|
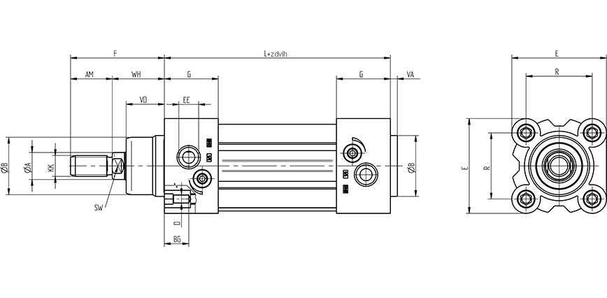
| Typ | Ø [mm] | A | B | D | E | F | G | L | R | AM | BG | EE | KK | SW | VA | VD | WH |
|---|---|---|---|---|---|---|---|---|---|---|---|---|---|---|---|---|---|
| HIFRV 32/... | Ø 32 | 12 | 30 | M 6 | 47 | 48 | 26,5 | 94 | 32,5 | 22 | 16 | G 1/8" | M 10 x 1,25 | 10 | 4 | 18 | 26 |
| HIFRV 40/... | Ø 40 | 16 | 35 | M 6 | 54,5 | 54 | 31 | 105 | 38 | 24 | 16 | G 1/4" | M 12 x 1,25 | 13 | 4 | 22 | 30 |
| HIFRV 50/... | Ø 50 | 20 | 40 | M 8 | 65 | 69 | 31 | 106 | 46,5 | 32 | 16 | G 1/4" | M 16 x 1,5 | 17 | 4 | 25,5 | 37 |
| HIFRV 63/... | Ø 63 | 20 | 45 | M 8 | 75 | 69 | 33,5 | 121 | 56,5 | 32 | 16 | G 3/8" | M 16 x 1,5 | 17 | 4 | 26 | 37 |
| HIFRV 80/... | Ø 80 | 25 | 45 | M 10 | 93 | 86 | 40 | 128 | 72 | 40 | 17 | G 3/8" | M 20 x 1,5 | 22 | 4 | 32 | 46 |
| HIFRV 100/... | Ø 100 | 25 | 55 | M 10 | 110 | 91 | 40,5 | 138 | 89 | 40 | 17 | G 1/2" | M 20 x 1,5 | 22 | 4 | 38 | 51 |
| HIFRV 125/... | Ø 125 | 32 | 60 | M 12 | 134 | 119 | 47 | 160 | 110 | 54 | 20 | G 1/2" | M 27 x 2 | 27 | 6 | 46 | 65 |
| Funkcia: | Dvojčinný |
|---|---|
| Priemer: | Ø40 |
| Zdvih: | 160 mm |
| Prípoj: | G 1/4" |
| Teplotný rozsah: | -20°C...+150°C |
| Materiál piestnice: | Nehrdzavejúca oceľ (AISI 304) |
| ISO norma: | ISO 15552 (v minulosti ISO 6431) |
| Materiál krytu: | Hliníkový tlakový odliatok |
| Materiál piestu: | Hliník |
| Materiál telesa valca: | Eloxovaný hliník |
| Materiál tesnenia: | FPM tesnenia (max.150°C) |
| Materiál vodiaceho puzdra: | Sintrovaný bronz |
| Piest: | Magnetický |
| Pracovné médium: | Stlačený vzduch |
| Pracovný tlak: | 1…10 bar |
| Priemer piestnice: | Ø16 mm |
| Prítlačná sila (6 bar): | 716 N |
| Tlmenie: | Nastaviteľné |
| Závit piestnice: | M12 x 1,25 - vonkajší závit |
| Ťažná sila (6 bar): | 601 N |










