HV 311 701
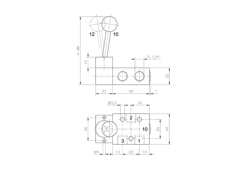
3/2-cestný manuálne ovládaný ventil - monostabilný - G1/4"
Špeciálne požiadavky máte možnosť pridať v Zhrnutí objednávky pri Dodatočných informáciách
HV 311 701
3/2-cestný manuálne ovládaný ventil - monostabilný - G1/4"
| Číslo produktu | Prípoj | Polohová stabilita | Prietok (P1=6 bar, ΔP=1 bar) | Ovládacia sila | Pracovný tlak |
|---|
| Riadenie/ovládanie: | Manuálne, pákou ovládané |
|---|---|
| Funkcia: | 3/2-cestný |
| Prípoj: | G 1/4" |
| Teplotný rozsah: | -10°C…+50°C |
| Polohová stabilita: | Monostabilný |
| Prietok (P1=6 bar, ΔP=1 bar): | 1250 l/min |
| Materiál tela ventilu: | Hliník |
| Ovládacia sila: | 20 N |
| Pracovné médium: | Stlačený vzduch |
| Pracovný tlak: | 1…10 bar |
| Spôsob montáže ventilu: | Samostatný ventil |
| Umiestnenie prípojov: | Na oboch stranách ventilu/oproti sebe |









