MNH 510 701 VES
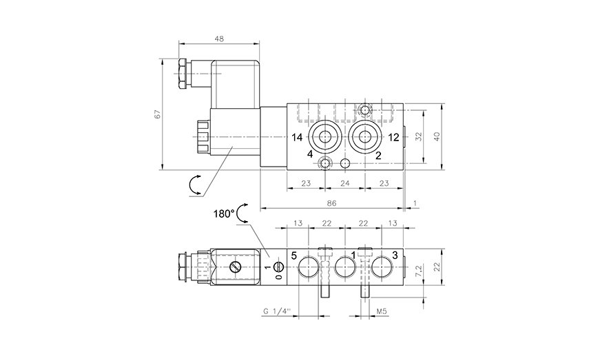
5/2-cestný elektricky riadený NAMUR ventil - monostabilný - G1/4" - INOX
Cievka a elektrický konektor nie je súčasťou balenia
Špeciálne požiadavky máte možnosť pridať v Zhrnutí objednávky pri Dodatočných informáciách
MNH 510 701 VES
5/2-cestný elektricky riadený NAMUR ventil - monostabilný - G1/4" - INOX
| Číslo produktu | Prípoj | Polohová stabilita | Prietok (P1=6 bar, ΔP=1 bar) | Pracovný tlak | Príkon |
|---|
| Riadenie/ovládanie: | Elektricky riadené |
|---|---|
| Funkcia: | 5/2-cestný |
| Prípoj: | G 1/4" |
| Teplotný rozsah: | -10°C…+50°C |
| Polohová stabilita: | Monostabilný |
| Prietok (P1=6 bar, ΔP=1 bar): | 1250 l/min |
| Materiál tela ventilu: | Nehrdzavejúca oceľ |
| Pracovné médium: | Stlačený vzduch |
| Pracovný tlak: | 2…10 bar |
| Príkon: | 3 W / 5 VA |
| Spínacia frekvencia: | 50 ms | 6 bar, pri +20°C |
| Spôsob montáže ventilu: | Samostatný ventil |
| Umiestnenie prípojov: | NAMUR rozhranie |









