SE 8101
Rýchloodvzdušňovací ventil
Špeciálne požiadavky máte možnosť pridať v Zhrnutí objednávky pri Dodatočných informáciách
SE 8101
Rýchloodvzdušňovací ventil
Ak si chcete stiahnuť 3D modely a produktové listy, zaregistrujte sa.
| Číslo produktu | Prípoj | Prietok (P1=6 bar, ΔP=1 bar) | Pracovný tlak |
|---|
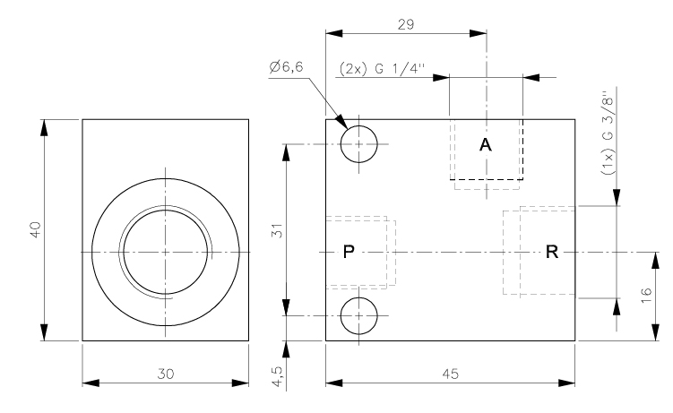
| Prípoj: | G 1/4" |
|---|---|
| Teplotný rozsah: | -10°C…+50°C |
| Prietok (P1=6 bar, ΔP=1 bar): | max. 1188 l/min |
| Materiál tela ventilu: | Hliník |
| Pracovné médium: | Stlačený vzduch |
| Pracovný tlak: | 0,3...10 bar |
| Prietokové a logické ventily: | Rýchloodvzdušňovací ventil |
| Spôsob montáže ventilu: | Samostatný ventil |
| Umiestnenie prípojov: | Na oboch stranách ventilu/oproti sebe |









