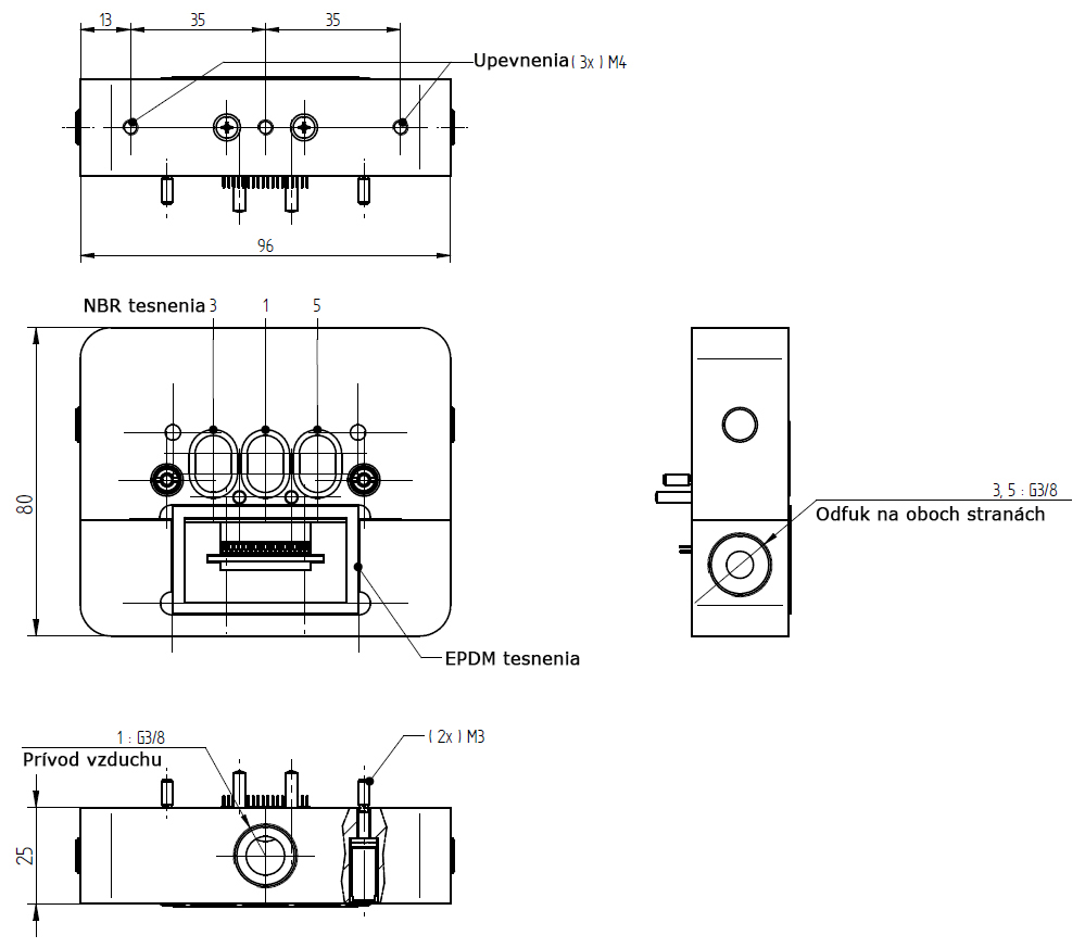
TBZ 5 3/8 HD44
Stredový napájanie vzduchu - do ľava otvorené - G3/8" - D-SUB
Špeciálne požiadavky máte možnosť pridať v Zhrnutí objednávky pri Dodatočných informáciách




Špeciálne požiadavky máte možnosť pridať v Zhrnutí objednávky pri Dodatočných informáciách