TF-PRCS-4
Škrtiaci-spätný ventil
Špeciálne požiadavky máte možnosť pridať v Zhrnutí objednávky pri Dodatočných informáciách
TF-PRCS-4
Škrtiaci-spätný ventil
Ak si chcete stiahnuť 3D modely a produktové listy, zaregistrujte sa.
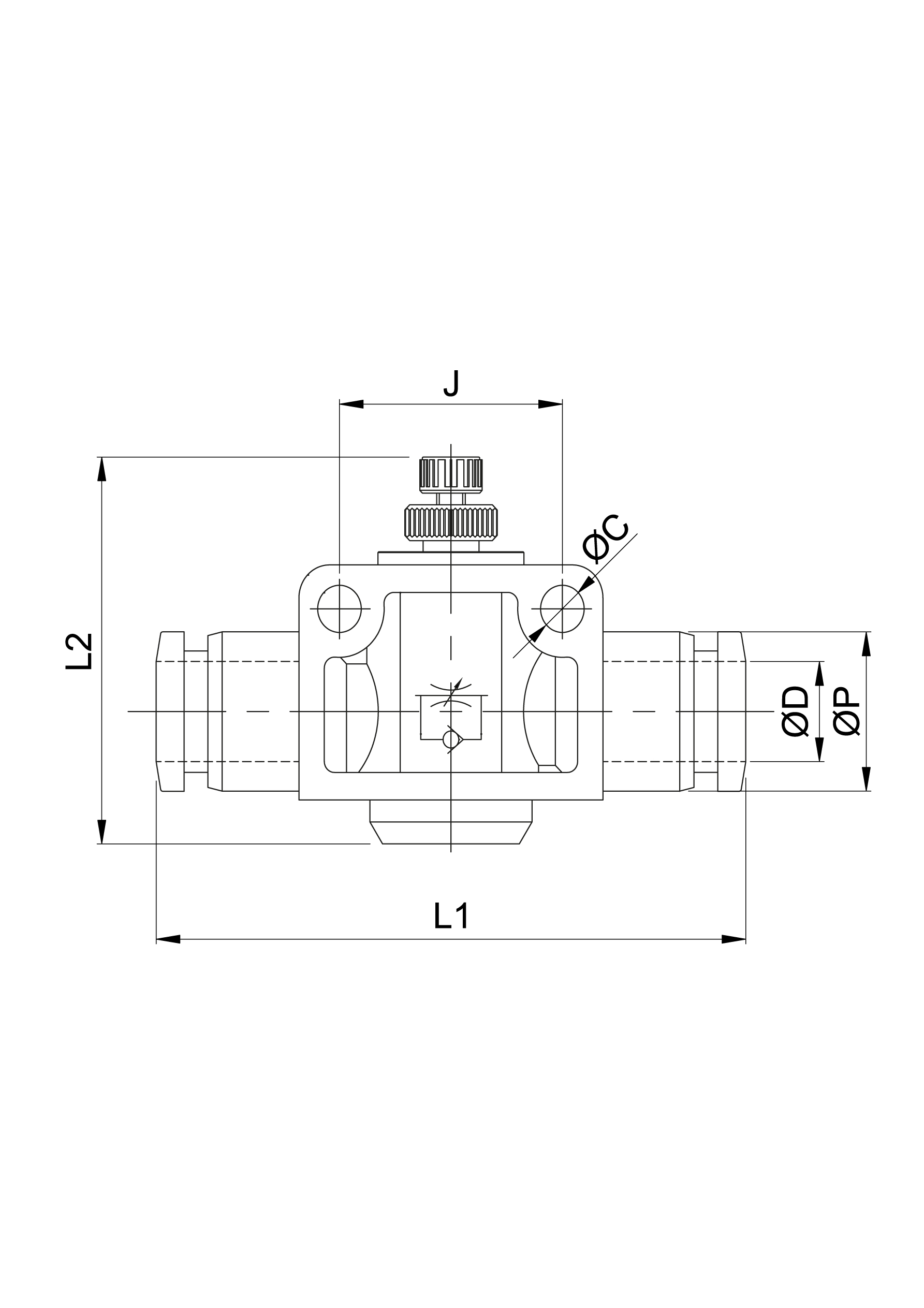
| Číslo produktu |
|---|
| Typ | ØD | ØP | ØC | J | L1 | L2 |
|---|---|---|---|---|---|---|
| TF-PRCS-4 | 4 | 11,1 | 3,2 | 14 | 39,5 | 28,8 |
| TF-PRCS-6 | 6 | 13 | 4,3 | 20 | 47,6 | 42,6 |
| TF-PRCS-8 | 8 | 15,1 | 4,3 | 22 | 52,6 | 44,3 |
| TF-PRCS-10 | 10 | 18,8 | 4,3 | 26 | 60,5 | 53,4 |
| Teplotný rozsah: | -20°C…+80°C |
|---|---|
| Prípoj | vonkajší priemer hadice: | Ø4 |
| Fixačná objímka: | Poniklovaná mosadz |
| Materiál: | POM |
| Materiál O krúžku: | NBR |
| Materiál oporného krúžku: | POM |
| Materiál tela: | POM |
| Materiál tesnenia: | NBR |
| Materiál upínacích pazúrov: | Nehrdzavejúca oceľ |
| Menovitý tlak: | -0,95…16 bar |
| Pracovné médium: | Stlačený vzduch, vákuum |
| Prevedenie: | Spojka (iba nástrčná) |









