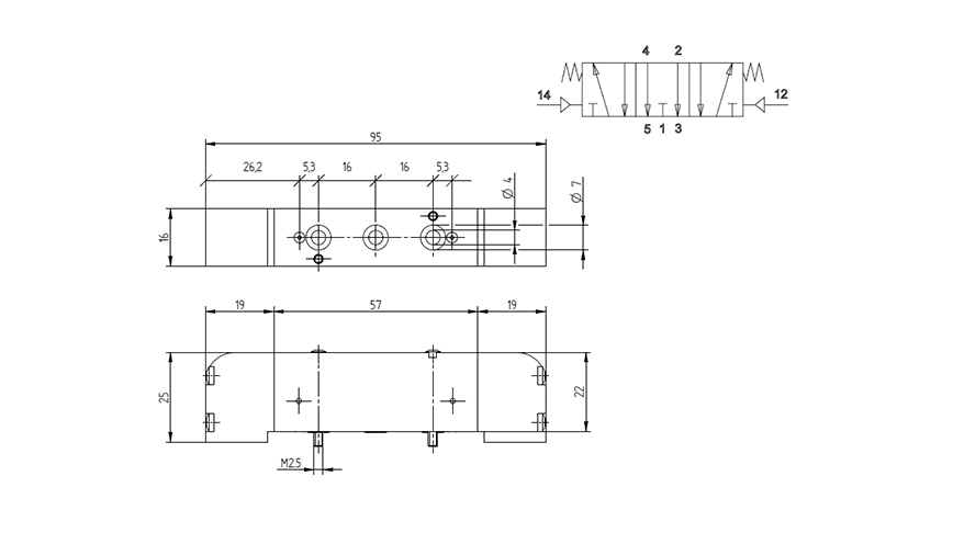
VTB 532 403
5/3-cestný pneumaticky riadený ventil - stredová poloha odvetraná - G1/8" - k terminálom
Špeciálne požiadavky máte možnosť pridať v Zhrnutí objednávky pri Dodatočných informáciách
VTB 532 403
5/3-cestný pneumaticky riadený ventil - stredová poloha odvetraná - G1/8" - k terminálom









