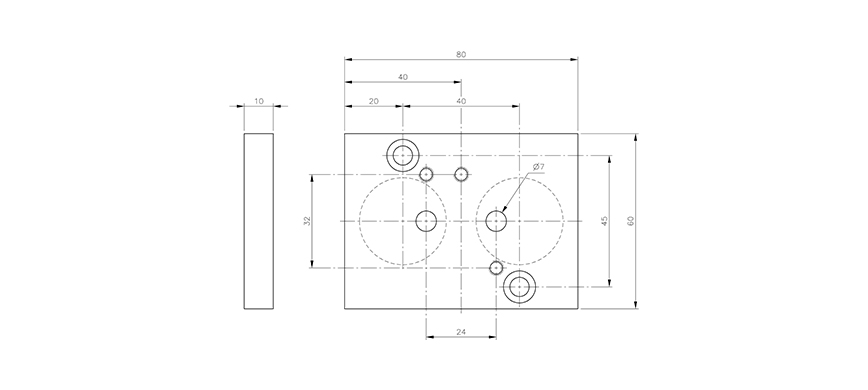
ZPN 6 10
Transformujúci medziprvok k NAMUR ventilom - G1/4" - G1/2"
Špeciálne požiadavky máte možnosť pridať v Zhrnutí objednávky pri Dodatočných informáciách
ZPN 6 10
Transformujúci medziprvok k NAMUR ventilom - G1/4" - G1/2"
Produktové údaje PDF
Stiahnuť| Číslo produktu |
|---|
| Prípoj: | NAMUR rozhranie |
|---|---|
| Teplotný rozsah: | -10°C…+50°C |
| Materiál tela ventilu: | Hliník |
| Pracovné médium: | Stlačený vzduch |
| Spôsob montáže ventilu: | Samostatný ventil |










