951HR-12-3/8
Rotačná spojka Priamy tvar - kužeľový samotesniaci závit - RPM 900
Špeciálne požiadavky máte možnosť pridať v Zhrnutí objednávky pri Dodatočných informáciách
951HR-12-3/8
Rotačná spojka Priamy tvar - kužeľový samotesniaci závit - RPM 900
Produktové údaje PDF
Stiahnuť| Číslo produktu | Prípoj | Prípoj | vonkajší priemer hadice | Max. otáčky |
|---|
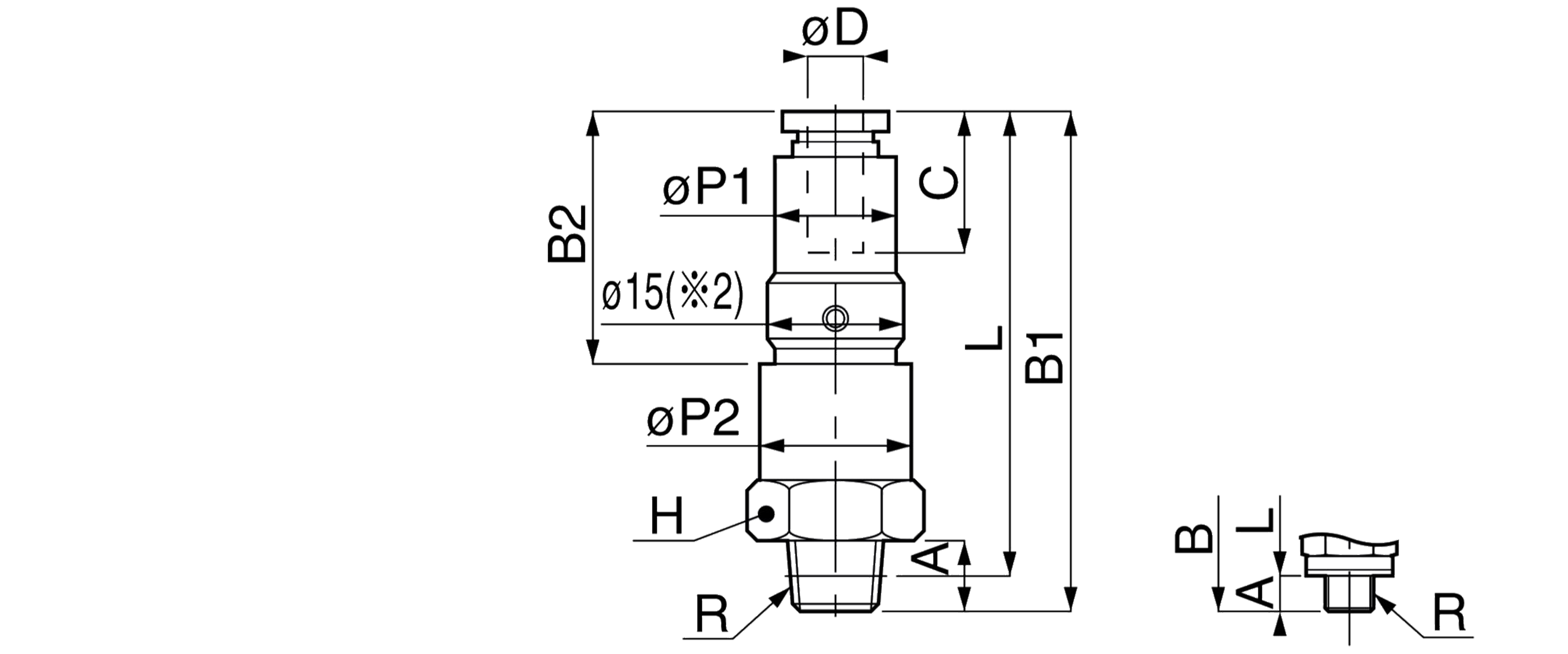
| Typ | Priemer hadice | Prípoj | A | B1 | B2 | L | P1 | P2 | C | H |
|---|---|---|---|---|---|---|---|---|---|---|
| 951HR-4-M5 | 4 | M5 | 3 | 43,2 | 22,7 | 40,2 | 11 | 11,6 | 14,9 | 12 |
| 951HR-4-1/8 | 4 | R 1/8" | 8 | 47,7 | 22,7 | 43,7 | 11 | 11,6 | 14,9 | 12 |
| 951HR-6-1/8 | 6 | R 1/8" | 8 | 54,8 | 26,8 | 50,8 | 13 | 16,6 | 17 | 17 |
| 951HR-6-1/4 | 6 | R 1/4" | 11 | 57,8 | 26,8 | 51,7 | 13 | 16,6 | 17 | 17 |
| 951HR-8-1/8 | 8 | R 1/8" | 8 | 58,1 | 30,1 | 54,1 | 15 | 16,6 | 18,2 | 17 |
| 951HR-8-1/4 | 8 | R 1/4" | 11 | 61,1 | 30,1 | 55,1 | 15 | 16,6 | 18,2 | 17 |
| 951HR-10-3/8 | 10 | R 3/8" | 12 | 67,9 | 32,4 | 61,6 | 20 | 23,6 | 20,7 | 24 |
| 951HR-10-1/2 | 10 | R 1/2" | 15 | 70,9 | 32,4 | 62,7 | 20 | 23,6 | 20,7 | 24 |
| 951HR-12-3/8 | 12 | R 3/8" | 12 | 70,5 | 35 | 64,2 | 21 | 23,6 | 23,4 | 24 |
| 951HR-12-1/2 | 12 | R 1/2" | 15 | 73,5 | 35 | 65,3 | 21 | 23,6 | 23,4 | 24 |
| Prípoj: | R 3/8" |
|---|---|
| Prípoj | vonkajší priemer hadice: | Ø12 |
| Materiál tesnenia: | NBR |
| Max. otáčky: | 900 rpm |
| Menovitý tlak: | 0…10 bar |
| Prevedenie: | Závitová |
| Prevedenie: | Rýchlospojka (závitová) |









