LAZ 100/80
Lineárny valec na prevádzkovanie nožových posúvačov/ventilov
Špeciálne požiadavky máte možnosť pridať v Zhrnutí objednávky pri Dodatočných informáciách
LAZ 100/80
Lineárny valec na prevádzkovanie nožových posúvačov/ventilov
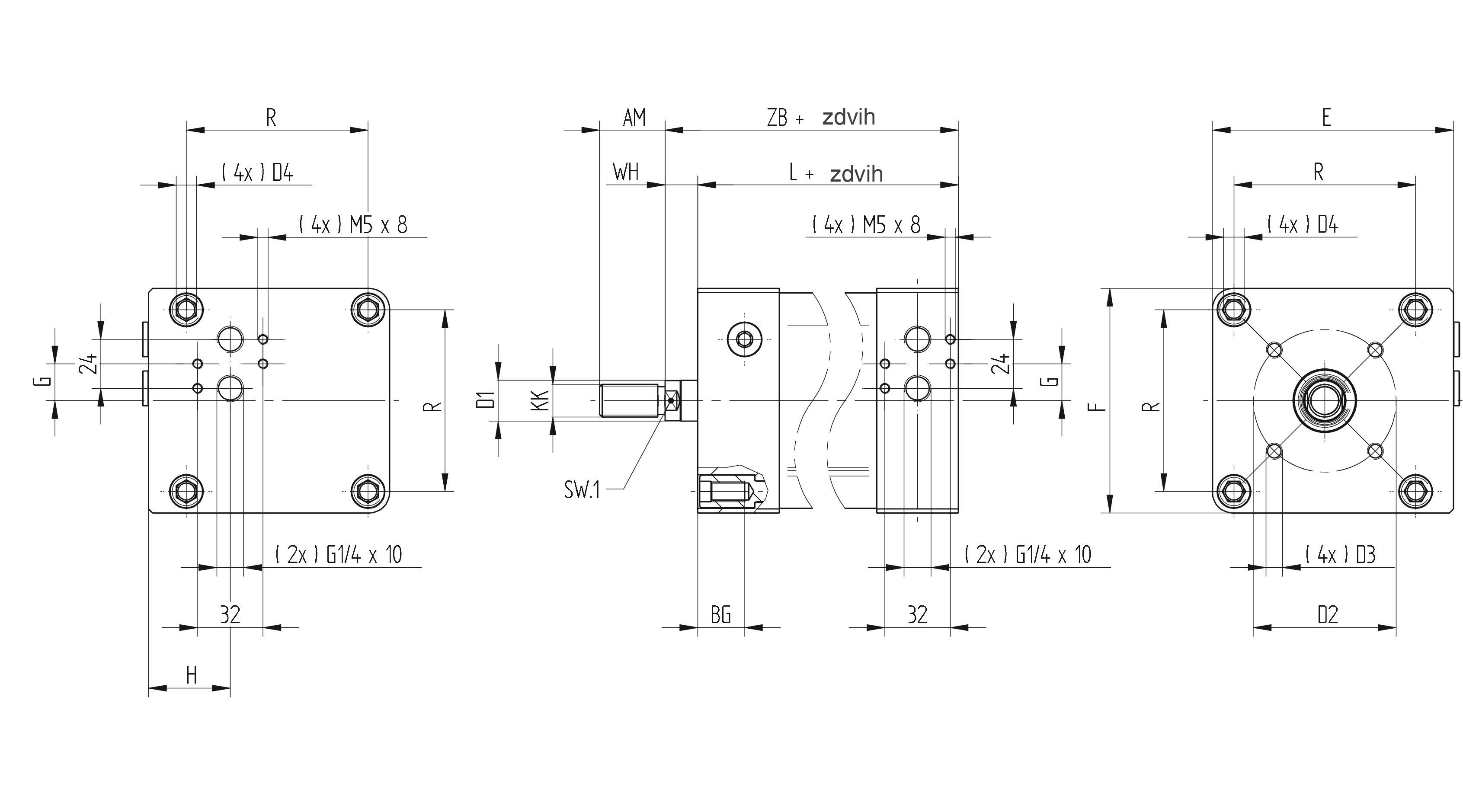
| Číslo produktu | Priemer | Zdvih | Prípoj | Materiál tesnenia | Závit piestnice |
|---|
| Typ | Ø [mm] | AM | D1 | KK | SW.1 | D2 | D3 | D4 | BG | R | E | F | G | H | WH | L | ZB |
|---|---|---|---|---|---|---|---|---|---|---|---|---|---|---|---|---|---|
| LAZ 80/... | Ø 80 | 32 | Ø 20 | M16x1,5 | 17 | Ø 70 | M8x15 | M10 | 22 | 72 | 100 | 90 | 8 | 35 | 16 | 114 | 130 |
| LAZ 100/... | Ø 100 | 32 | Ø 20 | M16x1,5 | 17 | Ø 70 | M8x15 | M10 | 22 | 89 | 118 | 110 | 18 | 40 | 16 | 118 | 134 |
| LAZ 125/... | Ø 125 | 54 | Ø 32 | M27x2 | 27 | Ø 102 | M10x18 | M12 | 26 | 110 | 140 | 134 | 28 | 45 | 24 | 138 | 162 |
| LAZ 160/... | Ø 160 | 54 | Ø 32 | M27x2 | 27 | Ø 102 | M10x18 | M16 | 22 | 140 | 174 | 174 | 32 | 60 | 24 | 123 | 147 |
| Funkcia: | Dvojčinný |
|---|---|
| Priemer: | Ø100 |
| Zdvih: | 80 mm |
| Prípoj: | G 1/4" |
| Teplotný rozsah: | -20°C…+80°C |
| Materiál piestnice: | Nehrdzavejúca oceľ (AISI 304) |
| Materiál krytu: | Eloxovaný hliník |
| Materiál piestu: | Hliník |
| Materiál telesa valca: | Eloxovaný hliník |
| Materiál tesnenia: | NBR, PU (max. 80°C) |
| Piest: | Magnetický |
| Pracovné médium: | Stlačený vzduch |
| Pracovný tlak: | 1…10 bar |
| Prítlačná sila (6 bar): | 4475 N |
| Tlmenie: | Flexibilné |
| Závit piestnice: | M16 x 1,5 - vonkajší závit |
| Ťažná sila (6 bar): | 4195 N |









