LAZ 250/600
Lineárny valec na prevádzkovanie nožových posúvačov/ventilov
Špeciálne požiadavky máte možnosť pridať v Zhrnutí objednávky pri Dodatočných informáciách
LAZ 250/600
Lineárny valec na prevádzkovanie nožových posúvačov/ventilov
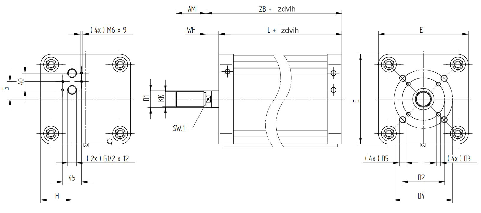
| Číslo produktu | Priemer | Zdvih | Prípoj | Materiál tesnenia | Závit piestnice |
|---|
| Typ | Ø [mm] | AM | D1 | KK | SW.1 | D2 | D3 | D4 | D5 | E | H | WH | L | ZB |
|---|---|---|---|---|---|---|---|---|---|---|---|---|---|---|
| LAZ 200/... | Ø 200 | 72 | Ø 40 | M36x2 | 36 | Ø 102 | M10x20 | Ø 140 | M16x25 | 215 | 75 | 30 | 123 | 153 |
| LAZ 250/... | Ø 250 | 72 | Ø 40 | M36x2 | 36 | Ø 102 | M10x20 | Ø 140 | M16x25 | 265 | 80 | 30 | 138 | 168 |
| LAZ 320/... | Ø 320 | 72 | Ø 40 | M36x2 | 36 | Ø 102 | M10x20 | Ø 140 | M16x25 | 340 | 100 | 30 | 135 | 168 |
| Funkcia: | Dvojčinný |
|---|---|
| Priemer: | Ø250 |
| Zdvih: | 600 mm |
| Prípoj: | G 1/2" |
| Teplotný rozsah: | -20°C…+80°C |
| Materiál piestnice: | Nehrdzavejúca, kyselinovzdornáoceľ (AISI 420) |
| Materiál krytu: | Eloxovaný hliník |
| Materiál piestu: | Hliník |
| Materiál telesa valca: | Eloxovaný hliník |
| Materiál tesnenia: | NBR, PU (max. 80°C) |
| Piest: | Magnetický |
| Pracovné médium: | Stlačený vzduch |
| Pracovný tlak: | 1…10 bar |
| Prítlačná sila (6 bar): | 27966 N |
| Tlmenie: | Flexibilné |
| Závit piestnice: | M36 x 2 - vonkajší závit |
| Ťažná sila (6 bar): | 26847 N |









