MMD 510 301 - 24 DC
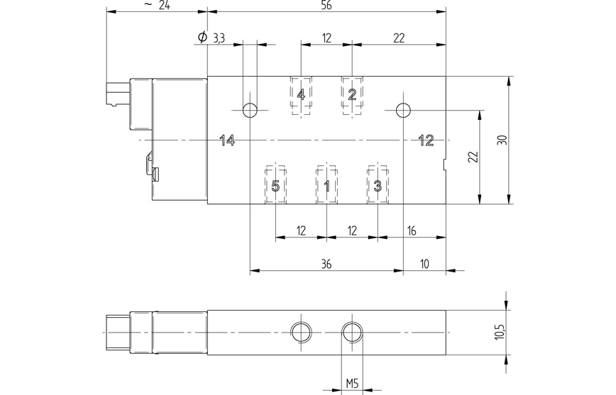
5/2-cestný elektricky riadený ventil - monostabilný - M5
Špeciálne požiadavky máte možnosť pridať v Zhrnutí objednávky pri Dodatočných informáciách
MMD 510 301 - 24 DC
5/2-cestný elektricky riadený ventil - monostabilný - M5
| Číslo produktu | Prípoj | Polohová stabilita | Prietok (P1=6 bar, ΔP=1 bar) | Pracovný tlak | Príkon |
|---|
| Riadenie/ovládanie: | Elektricky riadené |
|---|---|
| Funkcia: | 5/2-cestný |
| Prípoj: | M5 |
| Teplotný rozsah: | -10°C…+50°C |
| Polohová stabilita: | Monostabilný |
| Prietok (P1=6 bar, ΔP=1 bar): | 280 l/min |
| Materiál tela ventilu: | Hliník |
| Napätie: | 24 V DC |
| Pracovné médium: | Stlačený vzduch |
| Pracovný tlak: | 3…8 bar |
| Príkon: | 0,6 W |
| Spínacia frekvencia: | 50 ms | 6 bar, pri +20°C |
| Spôsob montáže ventilu: | Samostatný ventil |
| Umiestnenie prípojov: | Na oboch stranách ventilu/oproti sebe |
| Šírka ventilu: | 10 mm |









