PGV-731-B77-2FP
2/2-cestný pneumaticky riadený ventil - séria PGV - FPM, INOX
Špeciálne požiadavky máte možnosť pridať v Zhrnutí objednávky pri Dodatočných informáciách
PGV-731-B77-2FP
2/2-cestný pneumaticky riadený ventil - séria PGV - FPM, INOX
| Číslo produktu | Prípoj | Kv hodnota | voda | Menovitý priemer | Pracovný tlak |
|---|
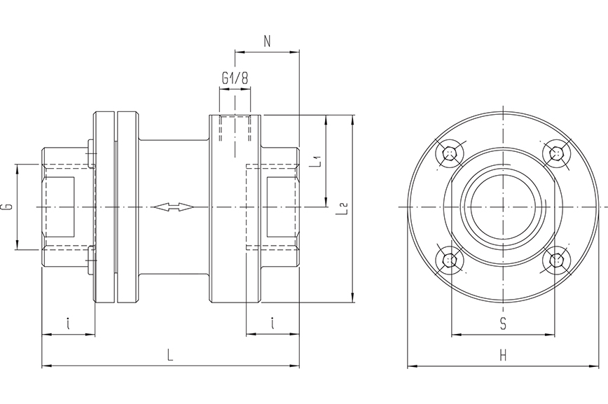
| Typ | Prípoj G | L | I | N | L1 | L2 | H | S |
|---|---|---|---|---|---|---|---|---|
| PGV-731-B77-1/2BP | G 1/2" | 67 | 13 | 14 | 29 | 59 | 60 | 27 |
| PGV-731-B77-1/2PP | G 1/2" | 67 | 13 | 14 | 29 | 59 | 60 | 27 |
| PGV-731-B77-1/2FP | G 1/2" | 67 | 13 | 14 | 29 | 59 | 60 | 27 |
| PGV-731-B77-3/4BP | G 3/4" | 80 | 15 | 20 | 29 | 59 | 60 | 32 |
| PGV-731-B77-3/4PP | G 3/4" | 80 | 15 | 20 | 29 | 59 | 60 | 32 |
| PGV-731-B77-3/4FP | G 3/4" | 80 | 15 | 20 | 29 | 59 | 60 | 32 |
| PGV-731-B77-1BP | G 1" | 94 | 17 | 41,5 | 41,5 | 85,5 | 88 | 41 |
| PGV-731-B77-1PP | G 1" | 94 | 17 | 41,5 | 41,5 | 85,5 | 88 | 41 |
| PGV-731-B77-1FP | G 1" | 94 | 17 | 41,5 | 41,5 | 85,5 | 88 | 41 |
| PGV-731-B77-5/4BP | G 5/4" | 112 | 19 | 50,5 | 41,5 | 85,5 | 88 | 50 |
| PGV-731-B77-5/4PP | G 5/4" | 112 | 19 | 50,5 | 41,5 | 85,5 | 88 | 50 |
| PGV-731-B77-5/4FP | G 5/4" | 112 | 19 | 50,5 | 41,5 | 85,5 | 88 | 50 |
| PGV-731-B77-6/4BP | G 6/4" | 132 | 21 | 48 | 55 | 112 | 114 | 55 |
| PGV-731-B77-6/4PP | G 6/4" | 132 | 21 | 48 | 55 | 112 | 114 | 55 |
| PGV-731-B77-6/4FP | G 6/4" | 132 | 21 | 48 | 55 | 112 | 114 | 55 |
| PGV-731-B77-2BP | G 2" | 160 | 24,5 | 62 | 55 | 112 | 114 | 70 |
| PGV-731-B77-2PP | G 2" | 160 | 24,5 | 62 | 55 | 112 | 114 | 70 |
| PGV-731-B77-2FP | G 2" | 160 | 24,5 | 62 | 55 | 112 | 114 | 70 |
| Riadenie/ovládanie: | Pneumaticky riadené |
|---|---|
| Funkcia: | 2/2-cestný |
| Prípoj: | G 2" |
| Teplotný rozsah: | 0...+130°C |
| Kv hodnota | voda: | 35 m3/hod |
| Materiál tela ventilu: | Nehrdzavejúca oceľ |
| Materiál tesnenia: | FKM |
| Menovitý priemer: | DN 50 |
| Pracovné médium: | Stlačený vzduch, voda, olej |
| Pracovný tlak: | 0,2...16 bar |
| Riadiaci prípoj: | G 1/8" |
| Riadiaci tlak: | Zhodný, alebo vyšší od pracovného tlaku (max. 16 bar) |









