RF 20-25

Príruba k valcom série R

Špeciálne požiadavky máte možnosť pridať v Zhrnutí objednávky pri Dodatočných informáciách

RF 20-25
Príruba k valcom série R

Produktové údaje PDF

Stiahnuť

3D model

Stiahnuť

3D model

Stiahnuť

Číslo produktuPriemer piestu
RF 8-10 Ø8-10
RF 12-16 Ø12-16
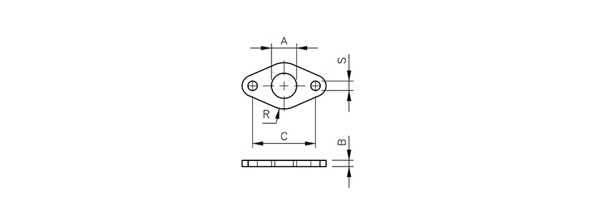
TypPriemer piestuABCRS
RF 8-10Ø 8 - 101233094,5
RF 12-16Ø 12 - 1616440135,5
RF 20-25Ø 20 - 2522550196,6
Materiál: Oceľ
Priemer piestu: Ø20-25