RGX 20-25

Ložiskové puzdro | INOX

Špeciálne požiadavky máte možnosť pridať v Zhrnutí objednávky pri Dodatočných informáciách

RGX 20-25
Ložiskové puzdro | INOX

Produktové údaje PDF

Stiahnuť

3D model

Stiahnuť

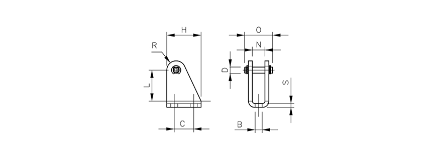
Číslo produktuPriemer piestu
RGX 16 Ø16
TypPriemer piestuBCDHLNORS
RGX 16Ø 165,5156252712,12373
RGX 20-25Ø 20 - 256,6208323016,129,5104
Materiál: Nehrdzavejúca oceľ
Priemer piestu: Ø20-25