RIMR 20/25
Kruhový valec - ISO 6432 - krátky kryt
Špeciálne požiadavky máte možnosť pridať v Zhrnutí objednávky pri Dodatočných informáciách
RIMR 20/25
Kruhový valec - ISO 6432 - krátky kryt
| Číslo produktu | Priemer | Zdvih | Prípoj | Materiál tesnenia | Priemer piestnice | Závit piestnice |
|---|
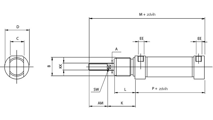
| Typ | Ø [mm] | A | B | C | D | K | L | M | P | AM | EE | KK | SW |
|---|---|---|---|---|---|---|---|---|---|---|---|---|---|
| RIMR 16/... | Ø 16 | 6 | M 16 x 1,5 | 12 | 21 | 22 | 18 | 91,5 | 53 | 16 | M 5 | M 6 | 5 |
| RIMR 20/... | Ø 20 | 8 | M 22 x 1,5 | 16 | 27 | 24 | 20 | 111,5 | 67 | 20 | G 1/8" | M 8 | 7 |
| RIMR 25/... | Ø 25 | 10 | M 22 x 1,5 | 16 | 30 | 28 | 22 | 118,5 | 68 | 22 | G 1/8" | M 10 x 1,25 | 9 |
| Funkcia: | Dvojčinný |
|---|---|
| Priemer: | Ø20 |
| Zdvih: | 25 mm |
| Prípoj: | G 1/8" |
| Teplotný rozsah: | -20°C…+80°C |
| Materiál piestnice: | Nehrdzavejúca oceľ (AISI 304) |
| ISO norma: | ISO 6432 |
| Materiál krytu: | Eloxovaný hliník |
| Materiál piestu: | Mosadz |
| Materiál telesa valca: | Nehrdzavejúca oceľ |
| Materiál tesnenia: | NBR, PU (max. 80°C) |
| Materiál vodiaceho puzdra: | Sintrovaný bronz |
| Piest: | Magnetický |
| Pracovné médium: | Stlačený vzduch |
| Pracovný tlak: | 1…10 bar |
| Priemer piestnice: | Ø8 mm |
| Prítlačná sila (6 bar): | 179 N |
| Tlmenie: | Flexibilné |
| Závit piestnice: | M8 - vonkajší závit |
| Ťažná sila (6 bar): | 150 N |









